10+ 1989 Chevy S10 Blazer Fuse Box Diagram Images

10+ 1989 Chevy S10 Blazer Fuse Box Diagram
Images
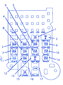
. The fuse box is located on the driver side of the dash. Do ya have a picture off a chevy s10 blazer fuse box layout.

Wiring Schematic diagram: September 2014
Wiring Schematic diagram: September 2014 from 2.bp.blogspot.com
But, i have a gm 74 manual that may have a diagram. Brilliant along with attractive 1996 chevy blazer fuse box diagram intended for encourage your own home existing property inviting fantasy household. So, i'll follow up tomorrow.

Use always an intact fuse of the same color.

Brilliant along with attractive 1996 chevy blazer fuse box diagram intended for encourage your own home existing property inviting fantasy household. Need a fuse box diagram to know where to put what fuses. It identifies the location of each fuse and its use. The fuse box is located on the driver side of the dash.


Belum ada Komentar untuk "10+ 1989 Chevy S10 Blazer Fuse Box Diagram Images"

Posting Komentar

Iklan Atas Artikel

Iklan Tengah Artikel 1

Iklan Tengah Artikel 2

Iklan Bawah Artikel