11+ 1990 Dakota Alternator Wiring Diagram Pictures

11+ 1990 Dakota Alternator Wiring Diagram
Pictures
. Associated wiring diagrams for the cruise control system of a 1990 honda civic. I did and came up with a shitload of diagrams and information.

1990 Ford Alternator Wiring Diagram - Database - Wiring ...
1990 Ford Alternator Wiring Diagram - Database - Wiring ... from i0.wp.com
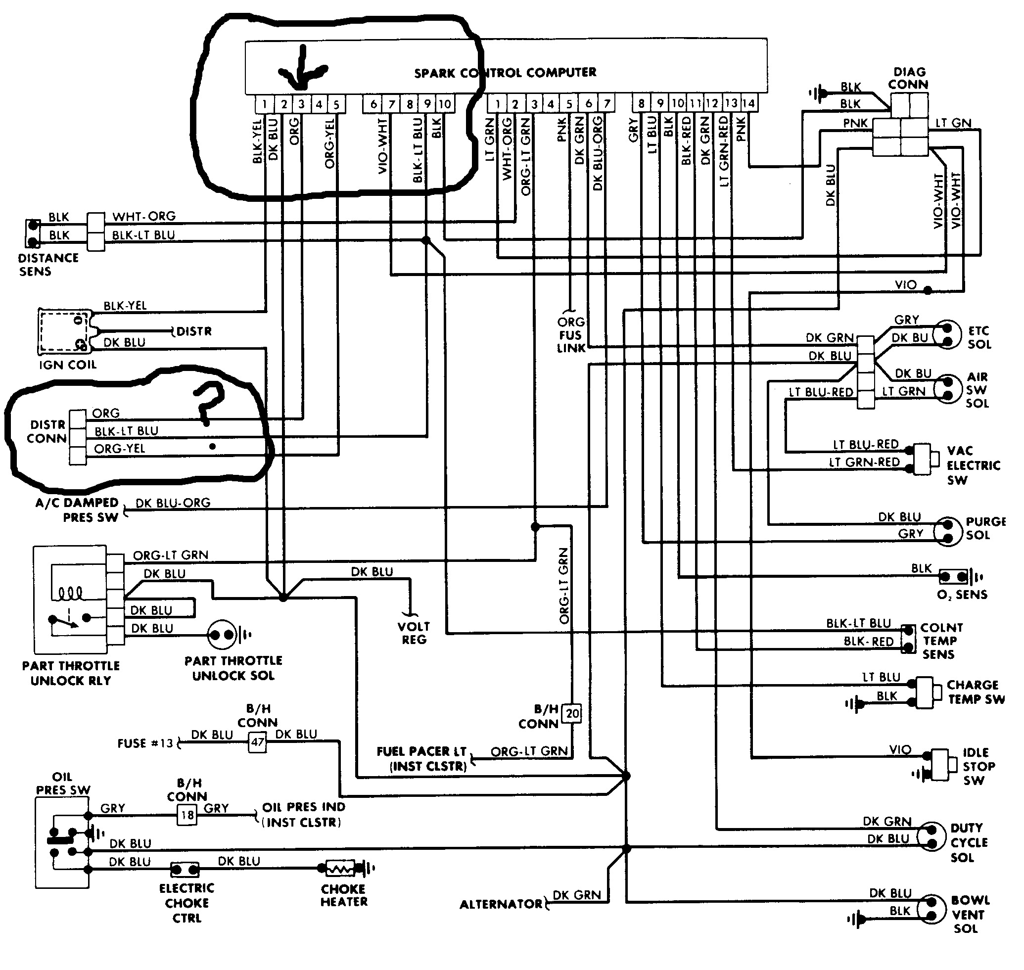
Type 2 wiring diagrams contributions to this section are always welcome. Ignition system wiring diagram (2002 4.7l dodge dakota and durango). The output and sensor wire (#2) should go.

I did and came up with a shitload of diagrams and information.

Tire/wheel certification label incorrectly printed. Some better esc have switch for changing direction. I think that the alternator is from a different year, the regulator doesn't match the one in my chilton manual (but maybe thats chiltons mistake?). Headlight fog light wiring diagram.


Belum ada Komentar untuk "11+ 1990 Dakota Alternator Wiring Diagram Pictures"

Posting Komentar

Iklan Atas Artikel

Iklan Tengah Artikel 1

Iklan Tengah Artikel 2

Iklan Bawah Artikel