23+ 03 Kia Spectra Wiring Diagram Pics

23+ 03 Kia Spectra Wiring Diagram
Pics
. Ceed, picanto, rio, sedona, sorento, sportage, venga and for other's kia models. View and download kia 2004.5 spectra service technical training online.

2003 Kia Spectra Radio Wiring Diagram Database - Wiring ...
2003 Kia Spectra Radio Wiring Diagram Database - Wiring ... from www.dashkitmall.com
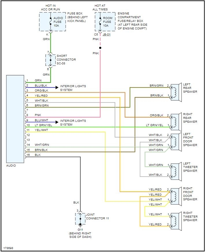
Kia rio engine control unit schematics. Car radio wiring colour codes car radio speakers. Shop the top 25 most popular 1 at the best prices!

Kia wiring diagrams free download for such models, as:

Car stereo wiring diagram radio installation head unit. It would be nice to know the front left and right woofer colors as. Free car radio wires stock diagram. Kia rio instrument cluster and indicator lights wiring diagram.


Belum ada Komentar untuk "23+ 03 Kia Spectra Wiring Diagram Pics"

Posting Komentar

Iklan Atas Artikel

Iklan Tengah Artikel 1

Iklan Tengah Artikel 2

Iklan Bawah Artikel