30+ 1998 Chevy Cavalier Radio Wiring Diagram Gif

30+ 1998 Chevy Cavalier Radio Wiring Diagram
Gif
. Ignition switch (the radio harness does not provide a switched power source. I have a 99 cavalier with a after market radio and am trying to install a cd player from a 02 cavalier and i need the wire diagram for this radio,i know chevy cavalier 1998 fuse box diagram my dash lights and tail lights are blown probably because of a loose headlights switch i need to know what the.

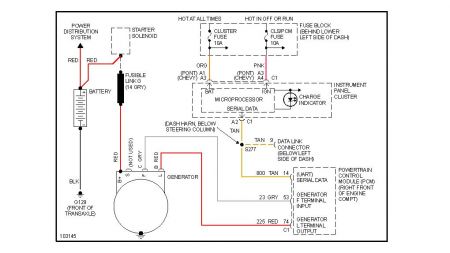
1998 Chevy Cavalier Charging System Not Charging: I Have ...
1998 Chevy Cavalier Charging System Not Charging: I Have ... from www.2carpros.com
Gahi's diagram is the correct way to wire a gm 10si/12si, and utilize all the benefits of that great design. Car stereo radio wiring harness antenna adapter for buick chevy gmc pontiac. Chevrolet chevy ii nova electrical wiring diagram 254 kb.

I have new connectors but do not have a good wiring diagram that shows all the pin.

Installing a stereo into your chevy silverado is easy to do with our truck audio wiring diagram. By margaret byrd | september 4, 2020. Fuse panel layout diagram parts: One of the most time consuming tasks with installing a car stereo car radio car speakers car amplifier car 1998 chevy s 10 wiring diagram online wiring diagram.


Belum ada Komentar untuk "30+ 1998 Chevy Cavalier Radio Wiring Diagram Gif"

Posting Komentar

Iklan Atas Artikel

Iklan Tengah Artikel 1

Iklan Tengah Artikel 2

Iklan Bawah Artikel