48+ 1990 Mazda B2200 Fuse Box Diagram PNG

48+ 1990 Mazda B2200 Fuse Box Diagram
PNG
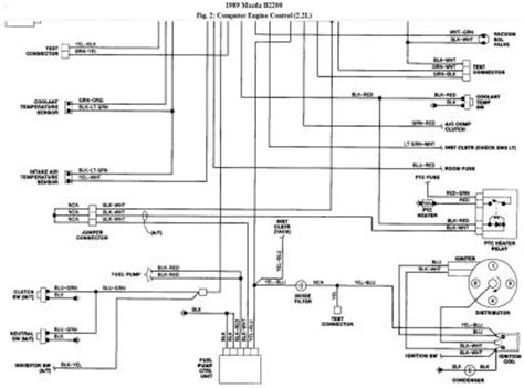
. I have a 1990 mazda b2200 that i just bought, not running and i cant find a vacuum diagram in the book or in the truck. Location of fuse boxes, fuse diagrams, assignment of the electrical fuses and relays in mazda vehicle.

Mazda 626 (1991 - 1997) - fuse box diagram - Auto Genius
Mazda 626 (1991 - 1997) - fuse box diagram - Auto Genius from www.autogenius.info
Vacuum hose routing diagram for 1989 mazda truck b2200 vacume hose routing is under the hood on a white lable. We get a lot of people coming to the site looking to get themselves a free mazda 2 haynes manual. What is the fuse diagrams for my truck?

Right here, we have countless book 1990 mazda b2200 manual and collections to check out.

Mazda b2200 1992 manual online: Get the repair info you need to fix your mazda b2200 instantly. Looking for a free mazda 2 haynes / mazda 2 chilton manuals? Mazda b2200 parts list 1986 to 1993.


Belum ada Komentar untuk "48+ 1990 Mazda B2200 Fuse Box Diagram PNG"

Posting Komentar

Iklan Atas Artikel

Iklan Tengah Artikel 1

Iklan Tengah Artikel 2

Iklan Bawah Artikel