Download 1990 Chevy Blazer Wiring Diagram PNG

Download 1990 Chevy Blazer Wiring Diagram
PNG
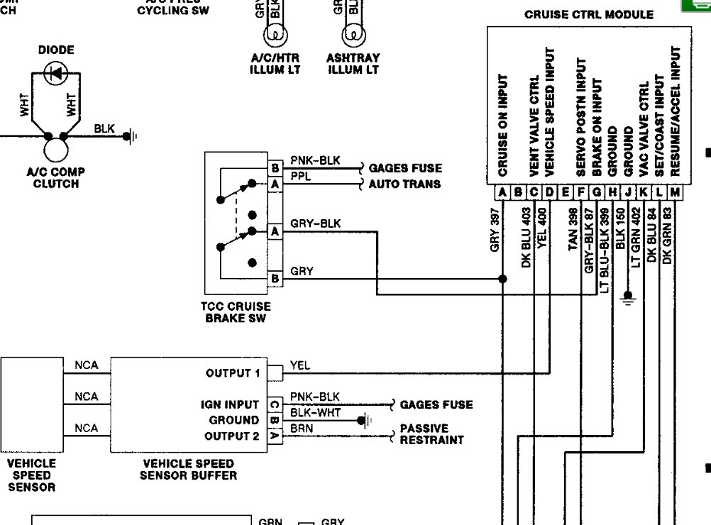
. 1990 chevrolet c/k truck pickup electrical diagnosis & wiring diagrams. I think there is a possible wiring problem in the fuel pump dept.

CarFusebox: Chevy S10 Blazer Alternator To C100 connector ...
CarFusebox: Chevy S10 Blazer Alternator To C100 connector ... from lh6.googleusercontent.com
I can not find any wiring diagrams for either that provide me the color coding for the 98 and 95 s10's. Give your chevrolet the best electronics, charging, wiring and ignition genuine chevy parts are engineered specifically with your chevrolet blazer in mind, ensuring precise fit and flawless function that lasts mile after mile. 1990 chevrolet chevy corvette electrical troubleshooting wiring diagram manual.

I can not find any wiring diagrams for either that provide me the color coding for the 98 and 95 s10's.

The output and sensor wire (#2) should go to the main power distribution location, as shown, not to the battery. The #2 wire ensures the 14.4 or so output is fed to the entire system, eliminating. I need an easy to read audio color wiring diagram for a 1999 chevy blazer ls. 1992, 1993, 1994, 1995 chevrolet/gmc 1500, 2500, and 3500 pick up and suburban equipped with a 4.3l v6, or a 5.0l v8, or a 5.8l v8 engine.


Belum ada Komentar untuk "Download 1990 Chevy Blazer Wiring Diagram PNG"

Posting Komentar

Iklan Atas Artikel

Iklan Tengah Artikel 1

Iklan Tengah Artikel 2

Iklan Bawah Artikel