Get 1993 Dodge Diesel Alternator Wiring Diagram Pics

Get 1993 Dodge Diesel Alternator Wiring Diagram
Pics
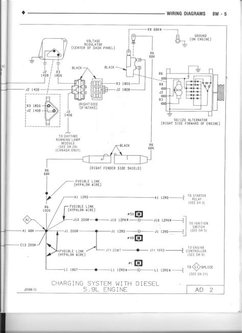
. I'm using the external regulator diagram for simplicity, but the troubleshooting procedure isn't much different with the regulator in the ecm. Related searches for wiring diagram dodge viper free dodge wiring diagramsdodge ram wiring diagramdodge wiring diagrams onlinedodge wiring harness diagramdodge van wiring diagram schematicdodge truck wiring diagram freedodge dakota wiring harness diagramfirst gen dodge.

The Mega Experiment: Part II - Executing the Plan | rallynotes
The Mega Experiment: Part II - Executing the Plan | rallynotes from rallynotes.com
See an alternator wiring diagram for your classic mustang. I have a 2013 dodge grand caravan. A forum community dedicated to all ford diesel owners and enthusiasts.

I need abs wiring diagram of 2006 dodge ram 2500 cummins 5.9 … read more.

Testing the alternator, to see if it's charging or not is a pretty simple test, especially of you have a wiring diagram! Alibaba.com offers 871 diesel generator wiring diagram products. Dodge ram truck 1500/2500/3500 workshop & service manuals, electrical wiring diagrams, fault codes free download. Back to the tech articles.


Belum ada Komentar untuk "Get 1993 Dodge Diesel Alternator Wiring Diagram Pics"

Posting Komentar

Iklan Atas Artikel

Iklan Tengah Artikel 1

Iklan Tengah Artikel 2

Iklan Bawah Artikel